• 400-955-5758

JDZX9-35

Параметры продукта

  • Изготовление на заказ:

    доступно

  • Послепродажное обслуживание:

    1 год

  • Гарантия:

    1 год

ООО Сиань Суюань Электроприборы
Здания B1-B2, Фаза 1, Западная долина интеллекта «Китай Электроникс», улица Гаоке-3, зона высокотехнологичного промышленного развития, город Сяньян, провинция Шэньси
Описание продукта
Информация о компании
Упаковка и доставка
Транспортная Упаковка
стандартная транспортная упаковка
Происхождение
China
Описание продукта

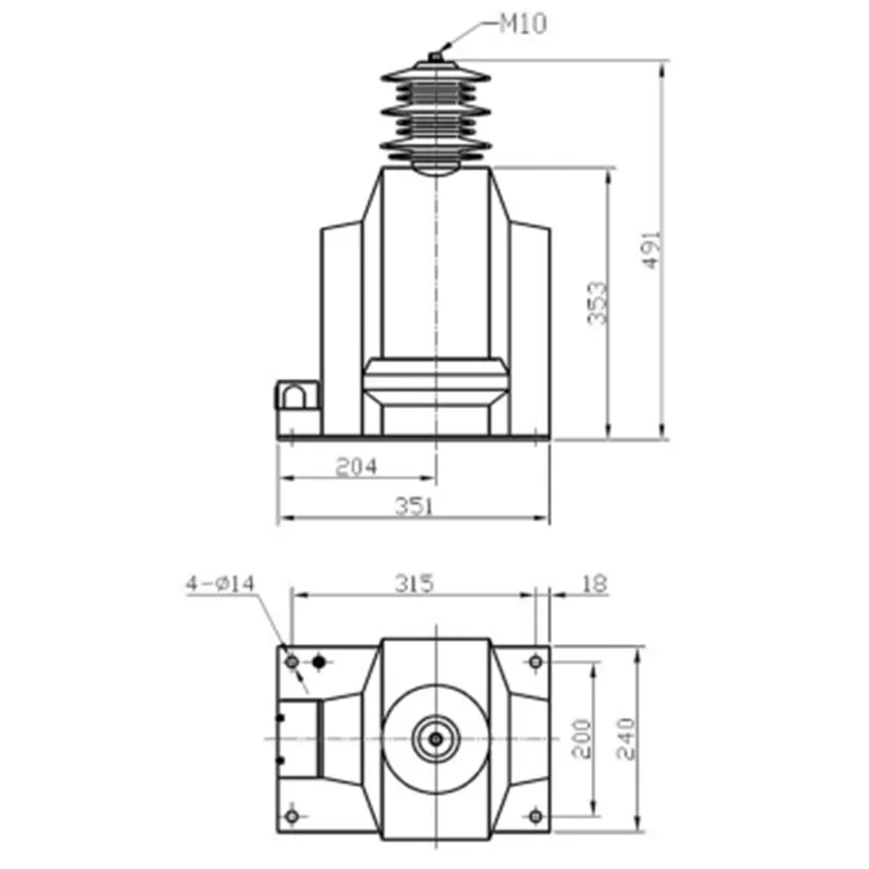
Данный трансформатор напряжения выполнен в виде полностью герметизированной опорной конструкции, залитой эпоксидной смолой для внутренней установки. Однофазное исполнение, предназначенное для установки внутри помещений, подходит для использования в электрических системах с номинальной частотой 50 Гц и номинальным напряжением 35 кВ для проведения электрических измерений и выполнения функций релейной защиты. Конструкция использует низкую магнитную индукцию и усиленную межслойную и межсекционную изоляцию обмоток, что позволяет ему выдерживать более высокие перенапряжения. Для сердечника, эмалированного провода, изоляционной бумаги и других компонентов выбрана высококачественная продукция, а в процессе изготовления активной части применяются специальные меры, благодаря чему трансформатор в целом обладает емкостным характером, эффективно предотвращая возникновение феррорезонанса с электрической сетью.

 

Внутренней установки, высокая точность, полностью герметизированный, залитый эпоксидной смолой

Характеристики изделия соответствуют стандартам GB20840.1, 3 и IEC61869-1, 3

Номинальный уровень изоляции 40.5/95/200 кВ

Номинальная частота 50 Гц

Модель Номинальное отношение напряжений (кВ) Комбинация классов точности Номинальная выходная мощность (ВА) Предельная тепловая выходная мощность (ВА) Номинальный уровень изоляции (кВ)
JDZX9-35 35/√3/0.1/√3/0.1/3 0.2/6P(3P) 30/100 600 40.5/95/200
0.5/6P(3P) 80/100
35/√3/0.1/√3/0.1/√3/0.1/3 0.2/0.2/6P(3P) 15/15/100 300/300
0.2/0.5/6P(3P) 15/20/100
0.5/0.5/6P(3P) 30/30/100

 

  • Тип деятельности:
    Производитель / завод
  • Основная продукция:
    Основная продукция включает высоковольтные и низковольтные предохранители, ограничители перенапряжений и другие изделия, которые широко используются в государственных электросетях, электроэнергетической отрасли, на предприятиях по производству комплектных распределительных устройств высокого и низкого напряжения по всей стране.
  • Количество сотрудников:
    50+
  • Год основания:
    2006
  • Сертификация систем менеджмента:
    ISO9001
  • Средний срок поставки:
    Oдин месяц
  • Номер:
    111
  • Среднее время ответа:
    24 часа

ООО Сиань Суюань Электроприборы было основано 30 мая 2006 года. Компания расположена в зоне высоких технологий города Сяньян, является предприятием высоких технологий с уставным капиталом в 20 миллионов юаней. Юридический адрес регистрации: Здания B1-B2, Фаза 1, Западная долина интеллекта «Китай Электроникс», улица Гаоке-3, зона высокотехнологичного промышленного развития, город Сяньян, провинция Шэньси. Площадь производственной территории составляет более 4100 квадратных метров. В компании работает около 50 высококвалифицированных технических специалистов, управленческого персонала и сотрудников отдела продаж. Используя научно обоснованные и рациональные модели операционного управления, компания на протяжении многих лет перенимала лучший опыт, постоянно внедряла инновации, совершенствовала и разрабатывала продукцию, улучшая характеристики и качество продуктов, обладая при этом уникальными техническими преимуществами.

Возможность торговать
  • Международные торговые термины(Incoterms):
    1111
  • Условия оплаты:
    LC, T/T, D/P
  • Средний срок поставки:
    Oдин месяц
  • Количество сотрудников по внешней торговле:
    11
  • Год начала экспорта:
    2006
  • Доля экспорта:
    20%
  • Основные рынки сбыта:
    США, Европа, Россия
  • Ближайший порт:
    Международный портовый район Сианя (поезд Китай-ЕС)
  • Схема импорта-экспорта:
    Oбщая торговля
Производственные мощности
  • Адрес завода:
    Здания B1-B2, Фаза 1, Западная долина интеллекта «Китай Электроникс», улица Гаоке-3, зона высокотехнологичного промышленного развития, город Сяньян, провинция Шэньси
  • Научно-исследовательский потенциал:
    Компания неизменно придерживается принципа «выживание через качество, развитие через репутацию», искренне служит клиентам и сформировала комплексную систему управления качеством и строгую модель управления производством.
  • Количество научных сотрудников:
    10+
  • Годовой объем производства:
    500 000 штук/комплект
ООО Сиань Суюань Электроприборы

Отправить сообщение этому магазину

*имя:
*почта:
*Ваш телефон:
*содержание:
Введите от 20 до 4000 символов.
ООО Сиань Суюань Электроприборы
Здания B1-B2, Фаза 1, Западная долина интеллекта «Китай Электроникс», улица Гаоке-3, зона высокотехнологичного промышленного развития, город Сяньян, провинция Шэньси