• 400-955-5758

JSZV18

Параметры продукта

  • Изготовление на заказ:

    доступно

  • Послепродажное обслуживание:

    1 год

  • Гарантия:

    1 год

ООО Сиань Суюань Электроприборы
Здания B1-B2, Фаза 1, Западная долина интеллекта «Китай Электроникс», улица Гаоке-3, зона высокотехнологичного промышленного развития, город Сяньян, провинция Шэньси
Описание продукта
Информация о компании
Упаковка и доставка
Транспортная Упаковка
стандартная транспортная упаковка
Происхождение
China
Описание продукта

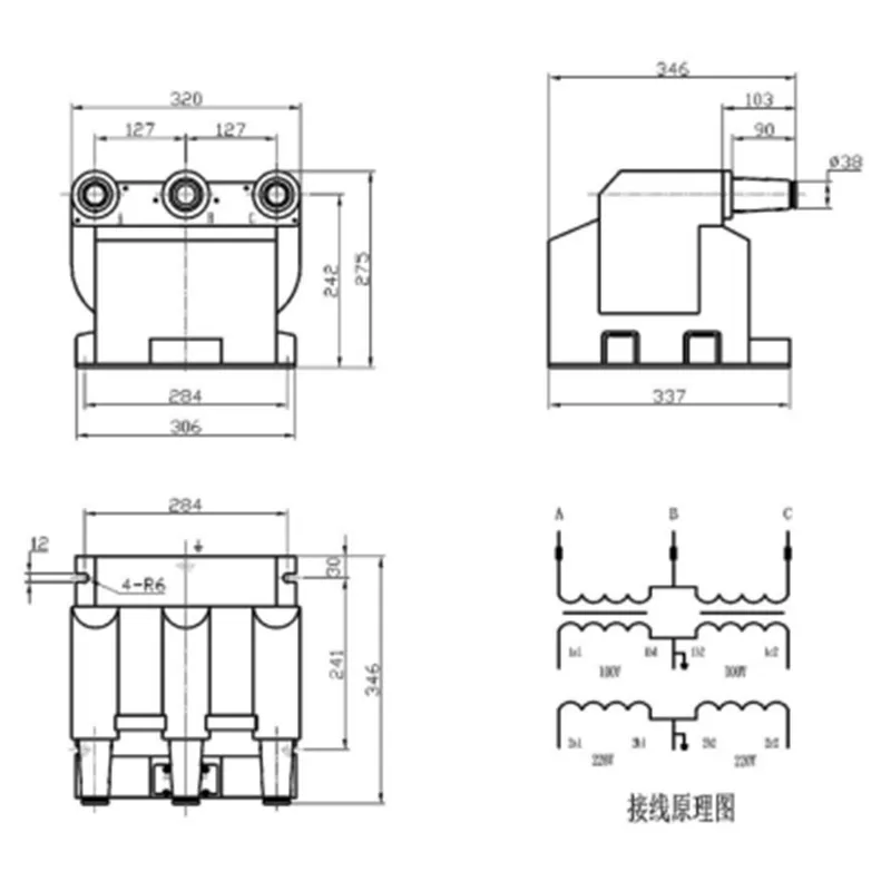
Данное изделие представляет собой трансформатор напряжения, выполненный в виде полностью герметизированной опорной конструкции, залитой эпоксидной смолой. Оно предназначено для измерения напряжения, электроэнергии и релейной защиты во внутренних линиях и оборудовании с номинальным напряжением 10 кВ и ниже и номинальной частотой 50 Гц.

Это полностью новая разработка — трансформатор напряжения с подключением по схеме V/V, оснащенный защитными предохранителями в первичной обмотке. Он имеет увеличенную длину пути утечки, низкую магнитную индукцию и высокую устойчивость к резонансу. Характеристики изделия соответствуют стандартам GB20840.3 и IEC 61869-3 (ранее IEC 6044-2) «Трансформаторы напряжения».

В изделии используется подключение по схеме V/V, при котором предохранители размещены внутри первичных выводных клемм, что обеспечивает удобную и быструю замену. Ток плавления предохранителей соответствует устойчивости трансформатора к короткому замыканию, что позволяет экономить пространство. Помимо вторичного выходного напряжения 100 В для измерений, данный трансформатор также имеет выходную клемму напряжения 220 В для питания оперативных цепей, которая может использоваться в качестве источника питания для приводных механизмов. Может широко применяться в любых распределительных устройствах и является идеальным продуктом для модернизации.

 

Внутренней установки, полностью герметизированный, залитый эпоксидной смолой

Характеристики изделия соответствуют стандартам GB20840.1, 3 и IEC61869-1, 3

Номинальный уровень изоляции 12/42/75 кВ

Номинальная частота 50 Гц

Модель Номинальное отношение напряжений (кВ) Комбинация классов точности Класс точности и его номинальная нагрузка (ВА) cosφ=0.8 Предельная тепловая нагрузка вторичной цепи (ВА)
0.2 0.5 3
JSZV18-10R JSZV18-6R 10/0.1 6/0.1 0.2 0.5 30 60   2×500-1000
JSZV18-10R JSZV18-6R 10/0.1/0.22 6/0.1/0.22 0.2/3 0.5/3 20 50 300 2×500-1000

 

  • Тип деятельности:
    Производитель / завод
  • Основная продукция:
    Основная продукция включает высоковольтные и низковольтные предохранители, ограничители перенапряжений и другие изделия, которые широко используются в государственных электросетях, электроэнергетической отрасли, на предприятиях по производству комплектных распределительных устройств высокого и низкого напряжения по всей стране.
  • Количество сотрудников:
    50+
  • Год основания:
    2006
  • Сертификация систем менеджмента:
    ISO9001
  • Средний срок поставки:
    Oдин месяц
  • Номер:
    111
  • Среднее время ответа:
    24 часа

ООО Сиань Суюань Электроприборы было основано 30 мая 2006 года. Компания расположена в зоне высоких технологий города Сяньян, является предприятием высоких технологий с уставным капиталом в 20 миллионов юаней. Юридический адрес регистрации: Здания B1-B2, Фаза 1, Западная долина интеллекта «Китай Электроникс», улица Гаоке-3, зона высокотехнологичного промышленного развития, город Сяньян, провинция Шэньси. Площадь производственной территории составляет более 4100 квадратных метров. В компании работает около 50 высококвалифицированных технических специалистов, управленческого персонала и сотрудников отдела продаж. Используя научно обоснованные и рациональные модели операционного управления, компания на протяжении многих лет перенимала лучший опыт, постоянно внедряла инновации, совершенствовала и разрабатывала продукцию, улучшая характеристики и качество продуктов, обладая при этом уникальными техническими преимуществами.

Возможность торговать
  • Международные торговые термины(Incoterms):
    1111
  • Условия оплаты:
    LC, T/T, D/P
  • Средний срок поставки:
    Oдин месяц
  • Количество сотрудников по внешней торговле:
    11
  • Год начала экспорта:
    2006
  • Доля экспорта:
    20%
  • Основные рынки сбыта:
    США, Европа, Россия
  • Ближайший порт:
    Международный портовый район Сианя (поезд Китай-ЕС)
  • Схема импорта-экспорта:
    Oбщая торговля
Производственные мощности
  • Адрес завода:
    Здания B1-B2, Фаза 1, Западная долина интеллекта «Китай Электроникс», улица Гаоке-3, зона высокотехнологичного промышленного развития, город Сяньян, провинция Шэньси
  • Научно-исследовательский потенциал:
    Компания неизменно придерживается принципа «выживание через качество, развитие через репутацию», искренне служит клиентам и сформировала комплексную систему управления качеством и строгую модель управления производством.
  • Количество научных сотрудников:
    10+
  • Годовой объем производства:
    500 000 штук/комплект
ООО Сиань Суюань Электроприборы

Отправить сообщение этому магазину

*имя:
*почта:
*Ваш телефон:
*содержание:
Введите от 20 до 4000 символов.
ООО Сиань Суюань Электроприборы
Здания B1-B2, Фаза 1, Западная долина интеллекта «Китай Электроникс», улица Гаоке-3, зона высокотехнологичного промышленного развития, город Сяньян, провинция Шэньси