• 400-955-5758

Модульный виброизолятор(GZQ-SC\GZQ-SC1\GZQ-B-SC\GZQ-C-SC)

Параметры продукта

  • сделанный на заказ:

    Доступно

  • Послепродажное обслуживание:

    Онлайн-сервисы

ООО Сиань Хунъань Микроволна
Корпус 2, здание F7, промышленный парк Синькай, улицa Цзинье 2, высокотехнологичная зона, г. Сиань, провинция Шааньси, Китай.
Описание продукта
Информация о компании
Основная информация
Преимущества
Ударопрочность и высокая несущая способность
приложение
Бортовое и авионика оборудование
Упаковка и доставка
Транспортная Упаковка
стандартная транспортная упаковка
Происхождение
China
Описание продукта

Обзор

Виброизолятор, унаследовав все превосходные характеристики серии GZQ, был специально оптимизирован для бокового монтажа и работы в ограниченном пространстве. Его инновационная конструкция особенно подходит для бортового и авиационного электронного оборудования, где пространство для установки ограничено или требуется быстрая сборка сбоку. Он также обладает выдающейся ударопрочностью и способностью выдерживать большие нагрузки; уникальная внутренняя демпфирующая конструкция эффективно рассеивает энергию вибраций, поступающих с нескольких направлений, эффективно предотвращая снижение производительности или ослабление соединений оборудования из-за длительной тряски и вибрации. GZQ значительно повышает удобство и надежность системной интеграции, предоставляя компактное, эффективное и прочное виброизоляционное решение для шасси и блоков управления на различных мобильных платформах.

Схема конструкции GZQ-SCGZQ-B-SCGZQ-C-SC:

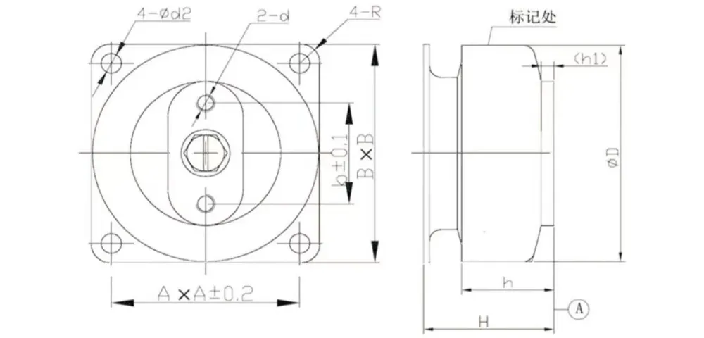
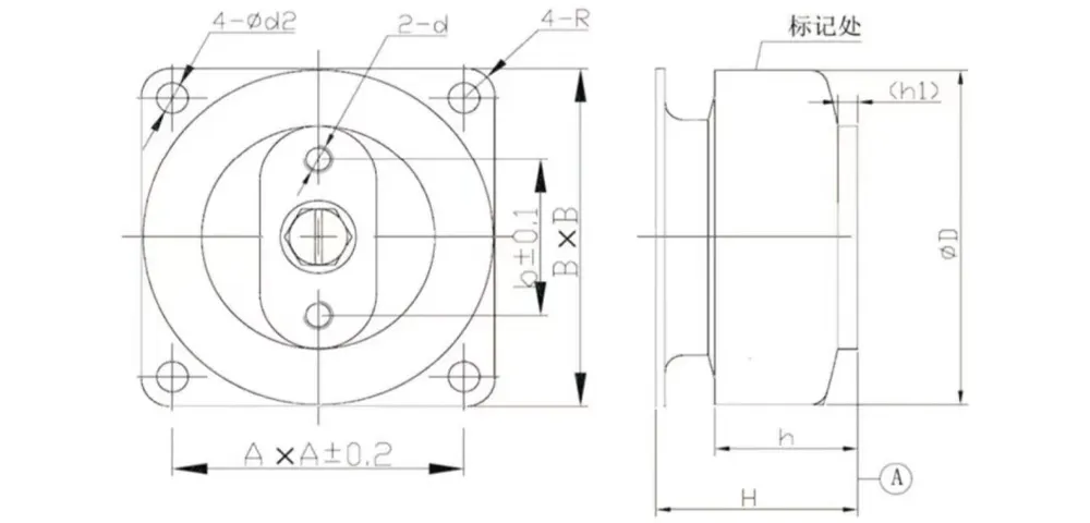
Схема размеров конструкции GZQ-SC:

Таблица параметров размеров

Модель D (мм) H±1 (мм) h (мм) A±0.2 (мм) B (мм) d d2 R b (мм) h1 (мм)
GZQ-SC 60 36 24.5 50 60 M5 Ø5.5 5 28 3.4
GZQ-SC1 60 36 21.7 50 60 M5 Ø5.5 5 28 3.4
GZQ-B-SC 46 30 21 40 50 M4 Ø5.5 5 22 3.5
GZQ-C-SC 36 25 17.5 32 40 M5 Ø4.2 4 20 3.3

Техническая таблица продукции

Модель Номинальная нагрузка (кг) Статическое отклонение (мм) Рабочая температура (℃) Резонансная частота (Гц) Коэффициент демпфирования Испытание на удар Срок годности (лет) Срок службы (лет)
GZQ-3.2-SC\SC1 3.2 ≤0.3 -45~+65 41.5±5 ≥0.13 100G 12 раз 8 5
GZQ-4.2-SC/SC1 4.2
GZQ-5.2-SC/SC1 5.2
GZQ-6.0-SC/SC1 6
GZQ-7.0-SC/SC1 7
GZQ-7.5-SC/SC1 7.5
GZQ-9.0-SC/SC1 9
GZQ-10.5-SC/SC1 10.5
GZQ-13.5-SC/SC1 13.5
GZQ-15-SC\SC1 15
GZQ-1.0B-SC 1
GZQ-1.5B-SC 1.5
GZQ-2.0B-SC 2
GZQ-2.5B-SC 2.5
GZQ-3.0B-SC 3
GZQ-3.5B-SC 3.5
GZQ-4.0B-SC 4
GZQ-5.0B-SC 5
GZQ-5.5B-SC 5.5
GZQ-6.0B-SC 6
GZQ-1.0C-SC 1
GZQ-2.0C-SC 2
GZQ-3.0C-SC 3
GZQ-3.5C-SC 3.5
GZQ-4.0C-SC 4
GZQ-5.0C-SC 5

 

  • Тип деятельности:
    Производитель / завод
  • Основная продукция:
    Военные и гражданские электронные компоненты, кабельные сборки, высокоточные электрические разъемы, амортизаторы, микроволновые антенны, водонепроницаемые вентиляционные клапаны и т. д.
  • Количество сотрудников:
    100
  • Год основания:
    2005
  • Сертификация систем менеджмента:
    ISO9001:2005
  • Средний срок поставки:
    в течение недели
  • Номер:
    001
  • Среднее время ответа:
    15 часов

ООО Сиань Хунъань Микроволна (далее именуемая как «Компания») была основана 12 мая 2005 года. Расположена в здании Синькай на улице Лихуананью, прилегающей к 2-й улице Цзинье в районе высоких технологий города Сиань. Общая площадь Компании составляет 800 квадратных метров, из которых производственные помещения занимают 500 квадратных метров, а офисные — 300 квадратных метров.

Возможность торговать
  • Международные торговые термины(Incoterms):
    Английский
  • Условия оплаты:
    LC, T/T, D/P
  • Средний срок поставки:
    в течение недели
  • Количество сотрудников по внешней торговле:
    3
  • Год начала экспорта:
    2005
  • Доля экспорта:
    20%
  • Основные рынки сбыта:
    Азия, Европа, Юго-Восточная Азия, Африка
  • Ближайший порт:
    Порт Тяньцзинь
  • Схема импорта-экспорта:
    Общий режим
Производственные мощности
  • Адрес завода:
    Корпус 2, здание F7, промышленный парк Синькай, улицa Цзинье 2, высокотехнологичная зона, г. Сиань, провинция Шааньси, Китай.
  • Научно-исследовательский потенциал:
    Осторожно и серьезно
  • Количество научных сотрудников:
    10
  • Годовой объем производства:
    10 миллионов
Сертификат

Отправить сообщение этому магазину

*имя:
*почта:
*Ваш телефон:
*содержание:
Введите от 20 до 4000 символов.
ООО Сиань Хунъань Микроволна
Корпус 2, здание F7, промышленный парк Синькай, улицa Цзинье 2, высокотехнологичная зона, г. Сиань, провинция Шааньси, Китай.